Telefone : +86 -18159244550 E-mail : jony@jyfire.com.cn
Telefone : +86 -18159244550 E-mail : jony@jyfire.com.cn
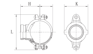
A conexão em T mecânica roscada tem a mesma função que a conexão em T mecânica ranhurada. Ambas são conexões mecânicas para tubulações, utilizadas para fazer furos e ramificações em tubulações existentes.
Material :
Ductile IronDiâmetro normal :
DN50 to DN125Pressão de trabalho :
300 PSICertificado :
UL,FMAplicativo :
Exhaust valves, drain valves, etcQuantidade mínima :
200 PiecesPrazo de entrega :
15~45 DaysE-mail : jony@jyfire.com.cn
Apresentação do produto

Seu princípio de funcionamento é exatamente o mesmo que o do tipo ranhurado:
Faça um furo que atenda às especificações da tubulação principal. Envolva a conexão em T mecânica com rosca dupla na tubulação principal, fixe-a com parafusos e utilize a junta especial interna para garantir a vedação na abertura da tubulação principal. Rosqueie o tubo de derivação (ou a conexão roscada) na porta roscada da saída da derivação e utilize fita de PTFE ou selante para garantir uma vedação firme.
Características do produto
1. Conexão direta a equipamentos roscados: Pode ser rosqueado diretamente em válvulas, instrumentos, etc.
2. Não é necessário processo de ranhuramento: Não é preciso laminação de ranhuras na extremidade do tubo de derivação.
3. Adequado para tubos de pequeno diâmetro: É mais conveniente aplicar em ramificações de pequeno tamanho (como 1/2" e 3/4").
Parâmetro do produto
| Tamanho normal | Diâmetro externo do tubo (mm) | Pressão de trabalho | Tamanho do parafuso | Diâmetro do furo |
| 2" x 1" | 60,3 x 33,7 | 300 PSI / 2,07 MPa | M10 X 55 | 38 mm / 1,5 polegadas |
| 2" x 1-1/4" | 60,3 x 42,4 | M10 X 55 | 51 mm / 2 polegadas | |
| 2" x 1-1/2" | 60,3 x 48,3 | M10 X 55 | 51 mm / 2 polegadas | |
| 2-1/2" x 1" | 73,0 x 33,7 | M10 x 60 | 38 mm / 1,5 polegadas | |
| 2-1/2" x 1-1/4" | 73,0 x 42,4 | M10 x 60 | 51 mm / 2 polegadas | |
| 2-1/2" x 1-1/2" | 73,0 x 48,3 | M10 x 60 | 51 mm / 2 polegadas | |
| 3" x 1" | 88,9 x 33,7 | M12 X 65 | 38 mm / 1,5 polegadas | |
| 3" x 1-1/4" | 88,9 x 42,4 | M12 X 65 | 51 mm / 2 polegadas | |
| 3" x 1-1/2" | 88,9 x 48,3 | M12 X 65 | 51 mm / 2 polegadas | |
| 3" x 2" | 88,9 x 60,3 | M12 X 65 | 64 mm / 2,5 polegadas | |
| 4" x 1" | 114,3 x 33,7 | M12 x 75 | 38 mm / 1,5 polegadas | |
| 4" x 1-1/4" | 114,3 x 42,4 | M12 x 75 | 51 mm / 2 polegadas | |
| 4" x 1-1/2" | 114,3 x 48,3 | M12 x 75 | 51 mm / 2 polegadas | |
| 4" x 2" | 114,3 x 60,3 | M12 x 75 | 64 mm / 2,5 polegadas | |
| 4" x 2-1/2" | 114,3 x 73 | M12 x 75 | 70 mm / 2,75 polegadas | |
| 4" x 3" | 114,3 x 88,9 | M12 x 75 | 89 mm / 3,5 polegadas | |
| 5" x 1" | 141,3 x 33,7 | M16 x 80 | 38 mm / 1,5 polegadas |
Perguntas frequentes
P: Qual é a quantidade mínima de encomenda (MOQ) para conexões T mecânicas roscadas?
A: Para tamanhos padrão, nossa quantidade mínima de pedido (MOQ) geralmente é de 200 peças. Para tamanhos maiores ou requisitos especiais, a MOQ pode ser de uma unidade. Estamos sempre dispostos a oferecer soluções flexíveis aos nossos clientes.
P: Quais são as suas condições de pagamento?
A: Aceitamos pagamentos por T/T, L/C, etc. Também aceitamos pagamentos via WeChat ou Alipay.
P: Qual é o prazo de entrega?
A: A produção geralmente leva de 15 a 45 dias. Para encomendas grandes ou especiais, pode levar 60 dias ou mais. Forneceremos um plano de produção preciso após a confirmação do seu pedido.
Contate-nos
Solução completa para mangueiras de incêndio, sprinklers, bicos, válvulas e conexões de tubulação!
JINYUAN TECHNOLOGY DEVELOPMENT CO.,LTD
Tel.:86-18159244550 Móvel:18159244550
E-MAIL: Jony@jyfire.com.cn
ADICIONAR: ZONA DE TECNOLOGIA DE CHENGGONG FASE 3, CIDADE DE XIMEI, CIDADE DE NAN'AN QUANZHOU
TAGS QUENTES :
Deixe um recado
Digitalizar para Wechat :
Digitalizar para WhatsApp :